Forums
|
|||
555 timer based Flyback driver
| Author |
12 Oct 2025 at 01:14 PM
|
555 Timer Flyback Driver
Overview
Progress on building a 555 timer-based flyback driver, using the 555 timer to drive a MOSFET for high voltage generation.
Flybacks typically operate between 15 kHz and 150 kHz. The exact frequency depends on the specific electronic device they were designed for, often a CRT television, where the frequency is related to the horizontal scanning rate.
Sources / Inspiration
I’ve been a fan of Uzzors2k’s work for a long time - all credit to him for his designs.
Schematics

Circuit Operation
The 7812 provides a stable 12V supply to the 555 timer. The 555 timer produces a square wave (frequency to be confirmed with oscilloscope) to drive the main switching MOSFET.
Timing Calculations
The 555 timer in astable mode produces a square wave with frequency determined by:
With our values (R₁ = 10kΩ, R₂ = 16kΩ, RV₁ = 0-50kΩ, C₂ = 1nF):
Minimum frequency (RV₁ = 50kΩ):
$f_{min} = \frac{1.44}{(10k + 2(16k + 50k)) \cdot 1nF} = 10.1\text{ kHz}$
Maximum frequency (RV₁ = 0Ω):
$f_{max} = \frac{1.44}{(10k + 2 \cdot 16k) \cdot 1nF} = 34.3\text{ kHz}$
The duty cycle is:
$D = \frac{R_1 + R_2}{R_1 + 2R_2} \approx 62\%$
Bill of Materials
| Component | Value/Part Number | Qty | Notes | Cost | Source |
|---|---|---|---|---|---|
| IC1 | NE555 Timer | 1 | Requires DIL8 socket | $2.25 | ZL3555 |
| Socket | DIL8 Socket | 1 | For NE555 | $0.38 | PI6500 |
| Q1 | 1 | Rated 100V, 33A (substitute) | $5.95 | ZT2466 | |
| Heatsink | TO-220 Heatsink | 1 | For IRF540N | $1.45 | HH8504 |
| T1 | Flyback Transformer | 1 | Salvaged from CRT | $0.00 | Salvaged |
| R1 | 10kΩ Resistor | 1 | 1W | $0.33 | RR2798 |
| R2 | 16kΩ Resistor | 1 | 0.5W, timing (18kΩ specified) | $0.11 | RR0601 |
| R3 | 10Ω Resistor | 1 | 1W, gate resistor | $0.33 | RR2526 |
| R4 | 470Ω Resistor | 1 | 1W | $0.33 | RR2766 |
| RV1 | 50kΩ Potentiometer | 1 | Frequency adjust (11-42 kHz) | $3.95 | RP3616 |
| C1 | 100nF Ceramic | 2 | 50V rated | $1.10 | RC5360 |
| C2 | 1nF Ceramic | 1 | 50V rated | $0.45 | RC5336 |
| C3 | 220µF Electrolytic | 1 | 50V rated (470µF specified) | $1.20 | RE6180 |
| IC2 | 7812 Voltage Regulator | 1 | 12V output, TO-220 | $0.95 | ZV1512 |
| Q2 | 2N3904 NPN Transistor | 1 | Small signal | $0.75 | ZT2326 |
| Q3 | 2N3906 PNP Transistor | 1 | Small signal | $0.75 | ZT2328 |
First Iteration - Breadboard
The original circuit specified an IRFP450 (avalanche-rated 500V, 14A N-channel MOSFET). I initially built using an IRF540N (avalanche-rated 100V, 33A MOSFET) - below the author’s recommendation of “any MOSFET with breakdown voltage above 200V and avalanche rated.” Planning to upgrade to IRFP250 when moving to PCB.
The breadboard prototype has been current-limited by contact resistance. Short run cycles drawing 3-5A have produced impressive results (and a little smoke)!
Component substitutions:
- 16kΩ resistor instead of specified 18kΩ
- 220µF capacitor instead of specified 470µF
Video of initial build output at 15V, drawing ~3-5A under load:

Measuring the circuit between pin 3 of the 555 timer and circuit ground I found a square wave output of between 20 and 35KHz depending on the configuration.
This was the circuit under load, interestingly it seems to sag at the start of each signal
![]() |
![]() |
and this is it with no primary coil attached
![]() |
![]() |
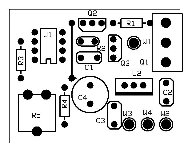
Second Iteration - PCB
Moving to a PCB build with the following improvements:
- Hot-swappable DIL8 socket for 555 timer
- IRFP250 MOSFET (200V, 30A) for better voltage headroom
- Proper heatsinking for 7812 voltage regulator
- Provisions for isolated audio modulation circuit
| Component | Value/Part Number | Qty | Notes | Cost | Source |
|---|---|---|---|---|---|
| IC1 | NE555 Timer | 1 | DIL8 socket | $2.25 | ZL3555 |
| Socket | DIL8 Socket | 1 | For NE555 | $0.38 | PI6500 |
| Q1 | IRFP250 | 1 | Rated 200V, 30A | … | … |
| R2 | 18kΩ Resistor | 1 | 0.5W, timing | … | … |
| C3 | 470µF Electrolytic | 1 | 50V rated | … | … |
PCB by http://uzzors2k.com/index.php?page=flybacktransformerdrivers
| Top | Bottom |
|---|---|
![]() |
The first gulp from the glass of natural sciences will make you an atheist, but at the bottom of the glass God is waiting for you. - Werner Heisenberg
There are no comments in this topic yet Please sign in.
|
Moderators:
TheQuantumGeneral
|
Legal information
This site is powered by e107, which is released under the GNU GPL License. All work on this site, except where otherwise noted, is licensed under a Creative Commons Attribution-ShareAlike 2.5 License. By submitting any information to this site, you agree that anything submitted will be so licensed. Please read our Disclaimer and Policies page for information on your rights and responsibilities regarding this site. This disclaimer is retained for historical reasons as this is a tribute site maintaining the original look and feel.
12 Oct 2025 at 01:14 PM




